Electrak 10 Electric Cylinder (LA10)
Original Electrak 10 electric cylinder (formerly LA10) from Thomson.
The Electrak 10 features a very compact design with a robust motor. The aluminum housing is rust-resistant and suitable for use in all types of vehicles.
It is driven by a trapezoidal screw drive or a ball screw drive. To maintain its position, the Electrak 10 is equipped with a wrap spring brake. All gears are made of steel. The Electrak 10 electric cylinders are available in 12, 24, and 36 V DC.
Elektrozylinder Electrak 10 (LA10)
Technical data
- Thread type: Trapezoidal thread or ball screw
- Anti-rotation device: None
- Manual override: Optional (HW)
- Holding brake: Integrated wrap spring brake
- Limit switch: None
- Motor protection: Thermal switch, self-resetting
- Motor connection: Optional plug
- Certificate: CE
- Duty cycle at full load: 25%
- Operating temperature: -25 to +65 °C (optionally down to -40 °C)
- Axial play: 1.0 mm
- Cable cross-section: 2.0 mm²
- Protection class: IP45
Accesories
- Control unit: DPDT switch (AC-063, DCG-190)
Electrak 10 Electric Cylinder with Trapezoidal Screw Drive
- Motor D12: 12 VDC,
- Motor D24: 24 VDC
- Motor D36: 36 VDC
- Speed: 11 – 54 mm/s
- Feed force: 1100 – 2250 N
- Potentiometer: optional
- Stroke: 100 – 600 mm (4 – 24 inches)
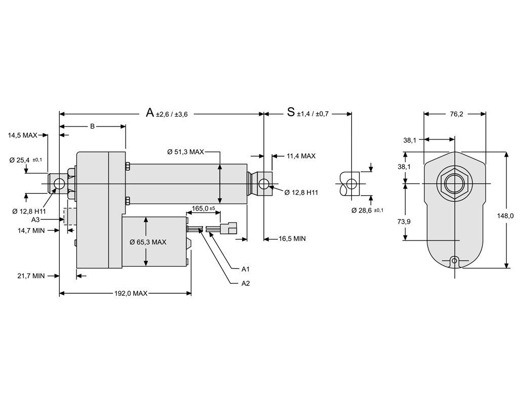
- Dimensions: D12…, D24…, D36… LA10 electric cylinders with trapezoidal screw drive are identical.
| D12-05A5 | D24-05A5 | D12-10A5 | D24-10A5 | D12-20A5 | D24-20A5 | Stroke (mm) | STEP-File |
|---|---|---|---|---|---|---|---|
| D12-05A5-04 | D24-05A5-04 | D12-10A5-04 | D24-10A5-04 | D12-20A5-04 | D24-20A5-04 | 101,6 | D..-..A5-04 |
| D12-05A5-06 | D24-05A5-06 | D12-10A5-06 | D24-10A5-06 | D12-20A5-06 | D24-20A5-06 | 152,4 | D..-..A5-06 |
| D12-05A5-08 | D24-05A5-08 | D12-10A5-08 | D24-10A5-08 | D12-20A5-08 | D24-20A5-08 | 203,2 | D..-..A5-08 |
| D12-05A5-10 | D24-05A5-10 | D12-10A5-10 | D24-10A5-10 | D12-20A5-10 | D24-20A5-10 | 254,0 | D..-..A5-10 |
| D12-05A5-12 | D24-05A5-12 | D12-10A5-12 | D24-10A5-12 | D12-20A5-12 | D24-20A5-12 | 304,8 | D..-..A5-12 |
| D12-05A5-14 | D24-05A5-14 | D12-10A5-14 | D24-10A5-14 | D12-20A5-14 | D24-20A5-14 | 355,6 | D..-..A5-14 |
| D12-05A5-16 | D24-05A5-16 | D12-10A5-16 | D24-10A5-16 | D12-20A5-16 | D24-20A5-16 | 406,4 | D..-..A5-16 |
| D12-05A5-18 | D24-05A5-18 | D12-10A5-18 | D24-10A5-18 | D12-20A5-18 | D24-20A5-18 | 457,2 | D..-..A5-18 |
| D12-05A5-20 | D24-05A5-20 | D12-10A5-20 | D24-10A5-20 | D12-20A5-20 | D24-20A5-20 | 508,0 | D..-..A5-20 |
| D12-05A5-24 | D24-05A5-24 | D12-10A5-24 | D24-10A5-24 | D12-20A5-24 | D24-20A5-24 | 609,6 | D..-..A5-24 |
Electrak 10 Electric Cylinder with Ball Screw Drive
- Motor D12: 12 VDC,
- Motor D24: 24 VDC
- Motor D36: 36 VDC
- Speed: 11 – 54 mm/s
- Feed force: 2250 – 6800 N
- Potentiometer: optional
- Stroke: 100 – 600 mm (4 – 24 inches)
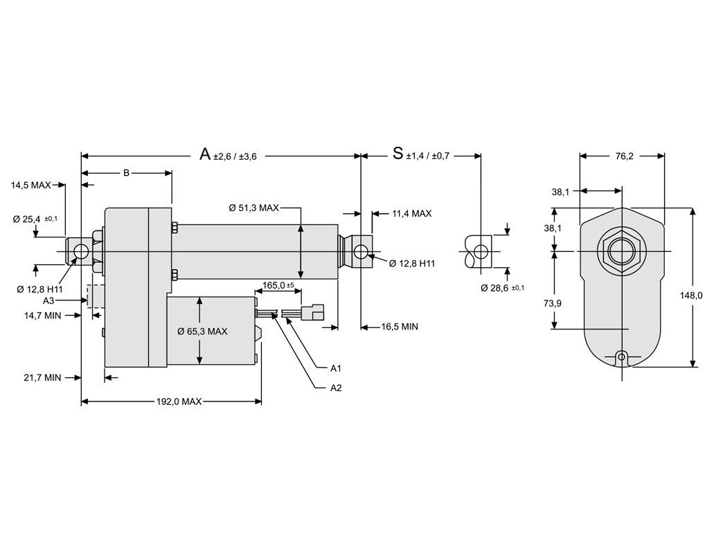
- Dimensions: D12…, D24…, D36… LA10 electric cylinders with ball screw drive are identical.
| D12-05B5 | D24-05B5 | D12-10B5 | D24-10B5 | D12-20/21B5 | D24-20/21B5 | Stroke (mm) | STEP-File |
|---|---|---|---|---|---|---|---|
| D12-05B5-04 | D24-05B5-04 | D12-10B5-04 | D24-10B5-04 | D12-20/21B5-04 | D24-20/21B5-04 | 101,6 | D..-..B5-04MON |
| D12-05B5-06 | D24-05B5-06 | D12-10B5-06 | D24-10B5-06 | D12-20/21B5-06 | D24-20/21B5-06 | 152,4 | D..-..B5-06MON |
| D12-05B5-08 | D24-05B5-08 | D12-10B5-08 | D24-10B5-08 | D12-20/21B5-08 | D24-20/21B5-08 | 203,2 | D..-..B5-08MON |
| D12-05B5-10 | D24-05B5-10 | D12-10B5-10 | D24-10B5-10 | D12-20/21B5-10 | D24-20/21B5-10 | 254,0 | D..-..B5-10MON |
| D12-05B5-12 | D24-05B5-12 | D12-10B5-12 | D24-10B5-12 | D12-20/21B5-12 | D24-20/21B5-12 | 304,8 | D..-..B5-12MON |
| D12-05B5-14 | D24-05B5-14 | D12-10B5-14 | D24-10B5-14 | D12-20/21B5-14 | D24-20/21B5-14 | 355,6 | D..-..B5-14MON |
| D12-05B5-16 | D24-05B5-16 | D12-10B5-16 | D24-10B5-16 | D12-20/21B5-16 | D24-20/21B5-16 | 406,4 | D..-..B5-16MON |
| D12-05B5-18 | D24-05B5-18 | D12-10B5-18 | D24-10B5-18 | D12-20/21B5-18 | D24-20/21B5-18 | 457,2 | D..-..B5-18MON |
| D12-05B5-20 | D24-05B5-20 | D12-10B5-20 | D24-10B5-20 | D12-20/21B5-20 | D24-20/21B5-20 | 508,0 | D..-..B5-20MON |
| D12-05B5-24 | D24-05B5-24 | D12-10B5-24 | D24-10B5-24 | D12-20/21B5-24 | D24-20/21B5-24 | 609,6 | D..-..B5-24MON |