Linear Ball Bearings LME-OP
The KB-OP and LME-OP linear ball bearings are among the series commonly used in Europe. They differ in their dimensions from the types used in the USA and Asia. Linear ball bearings in Asia are mostly sold under the designations SM and LM (metric dimensions).
In the Americas, linear ball bearings are sold under the designation SW (inch dimensions).
The following images provide an overview of the linear ball bearings commonly used in Europe.
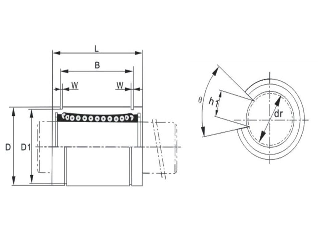
- Outer shell material: Plastic cage with inserted raceway segments made of 100Cr6 (1.3505)
- Cage material: Plastic
- Balls: 100Cr6 (1.3505)
- Seal: Nitrile rubber
Options available upon request
- Chrome-plated raceway segments
- Nickel-plated raceway segments
- Rust-resistant balls (1.4125)
- Without seal
- With one seal (U)
LB-Linearkugellager-LME
| Type (Lintec) | Nippon Bearing | Boschrexroth | INA | d (mm) | D (mm) | L (mm) | Cdyn (N) | Cstat (N) |
|---|---|---|---|---|---|---|---|---|
| LME10UU-OP | KB10UU-OP | R060231010 | – | 10 | 19 | 29 | 372 | 549 |
| LME12UU-OP | KB12UU-OP | R060201210 | KB12PP | 12 | 22 | 32 | 510 | 784 |
| LME16UU-OP | KB16UU-OP | R060201610 | KB16PP | 16 | 26 | 36 | 578 | 892 |
| LME20UU-OP | KB20UU-OP | R060202010 | KB20PP | 20 | 32 | 45 | 862 | 1370 |
| LME25UU-OP | KB25UU-OP | R060202510 | KB25PP | 25 | 40 | 58 | 980 | 1570 |
| LME30UU-OP | KB30UU-OP | R060203010 | KB30PP | 30 | 47 | 68 | 1570 | 2740 |
| LME40UU-OP | KB40UU-OP | R060204010 | KB40PP | 40 | 62 | 80 | 2160 | 4020 |
| LME50UU-OP | KB50UU-OP | R060205010 | KB50PP | 50 | 75 | 100 | 3820 | 7940 |
| LME60UU-OP | KB60UU-OP | R060206010 | – | 60 | 90 | 125 | 4700 | 9800 |
| LME80UU-OP | KB80UU-OP | R060208010 | – | 80 | 120 | 165 | 7350 | 16000 |