Electrak 24 Electric Cylinder (LA24)
Original Electrak 24 electric cylinder (formerly LA24) from Thomson Industries.
The Electrak 24 features a compact design with a robust motor and optional limit switches. The aluminum housing is rust-resistant and suitable for use in all types of vehicles.
It is driven by a trapezoidal screw drive or a ball screw drive. To maintain its position, the Electrak 24 has a wrap spring brake. All gears are made of steel. The Electrak 24 electric cylinders are available with 110, 230, and 400 V AC motors.
Elektrozylinder Electrak 24 (LA24)
Technical data
- Thread type: Trapezoidal thread (A) or ball screw (B)
- Anti-rotation device: Yes
- Manual override: Optional (HW)
- Holding brake: Integrated loop spring brake
- Limit switch: External limit switches (accessory)
- Measuring system: Optional potentiometer (PO)
- Motor protection: Thermal switch, self-resetting
- Motor connection: Optional plug
- Certificate: CE
- Duty cycle at full load: 25%
- Operating temperature: -25 to +65 °C (optionally down to -40 °C)
- Axial play: 1.0 mm
- Cable cross-section: 2.0 mm²
- Protection class: IP65
Accesories
- Control unit: DPDT switch (AC-063, DCD-190)
- Limit switches: NO, NC
- Mounting: Bolts, fork brackets
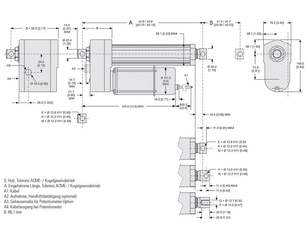
Electrak 24 (LA24) Electric Cylinder with Trapezoidal Screw Drive
- Motor AA22: 230 VAC
- Motor AA42: 400 VAC
- Speed: 11 – 48 mm/s
- Feed force: 1100 – 2250 N
- Potentiometer: optional
- Limit switch: optional
- Stroke: 100 – 600 mm (4 – 24 inches)
- Dimensions: D12…, D24…, D36… Electric Cylinders with Ball Screw Drive are identical
| AA22-05A65M | AA42-05A65M | AA22-10A65M | AA42-10A65M | AA22-20A65M | AA42-20A65M | Stroke (mm) | STEP-File |
|---|---|---|---|---|---|---|---|
| AA22-05A65M-05 | AA42-05A65M-05 | AA22-10A65M-05 | AA42-10A65M-05 | AA22-20A65M-05 | AA42-20A65M-05 | 50 | AA..-..A65-05MON |
| AA22-05A65M-10 | AA42-05A65M-10 | AA22-10A65M-10 | AA42-10A65M-10 | AA22-20A65M-10 | AA42-20A65M-10 | 100 | AA..-..A65-10MON |
| AA22-05A65M-15 | AA42-05A65M-15 | AA22-10A65M-15 | AA42-10A65M-15 | AA22-20A65M-15 | AA42-20A65M-15 | 150 | AA..-..A65-15MON |
| AA22-05A65M-20 | AA42-05A65M-20 | AA22-10A65M-20 | AA42-10A65M-20 | AA22-20A65M-20 | AA42-20A65M-20 | 200 | AA..-..A65-20MON |
| AA22-05A65M-25 | AA42-05A65M-25 | AA22-10A65M-25 | AA42-10A65M-25 | AA22-20A65M-25 | AA42-20A65M-25 | 250 | AA..-..A65-25MON |
| AA22-05A65M-30 | AA42-05A65M-30 | AA22-10A65M-30 | AA42-10A65M-30 | AA22-20A65M-30 | AA42-20A65M-30 | 300 | AA..-..A65-30MON |
| AA22-05A65M-35 | AA42-05A65M-35 | AA22-10A65M-35 | AA42-10A65M-35 | AA22-20A65M-35 | AA42-20A65M-35 | 350 | AA..-..A65-35MON |
| AA22-05A65M-40 | AA42-05A65M-40 | AA22-10A65M-40 | AA42-10A65M-40 | AA22-20A65M-40 | AA42-20A65M-40 | 400 | AA..-..A65-40MON |
| AA22-05A65M-45 | AA42-05A65M-45 | AA22-10A65M-45 | AA42-10A65M-45 | AA22-20A65M-45 | AA42-20A65M-45 | 450 | AA..-..A65-45MON |
| AA22-05A65M-50 | AA42-05A65M-50 | AA22-10A65M-50 | AA42-10A65M-50 | AA22-20A65M-50 | AA42-20A65M-50 | 500 | AA..-..A65-50MON |
| AA22-05A65M-55 | AA42-05A65M-55 | AA22-10A65M-55 | AA42-10A65M-55 | AA22-20A65M-55 | AA42-20A65M-55 | 550 | AA..-..A65-55MON |
| AA22-05A65M-60 | AA42-05A65M-60 | AA22-10A65M-60 | AA42-10A65M-60 | AA22-20A65M-60 | AA42-20A65M-60 | 600 | AA..-..A65-60MON |
Electrak 24 (LA24) Electric Cylinder with Ball Screw Drive
- Motor AA22: 230 VAC
- Motor AA42: 400 VAC
- Speed: 11 – 48 mm/s
- Feed force: 2250 – 6800 N
- Potentiometer: optional
- Limit switch: optional
- Stroke: 100 – 600 mm (4 – 24 inches)
- Dimensions: AA22… and AA42… LA24 Electric Cylinder with Trapezoidal screw drives are identical
| AA22-05B65M | AA42-05B65M | AA22-10B65M | AA42-10B65M | AA22-20/21B65M | AA42-20/21B65M | Stroke (mm) | STEP-File |
|---|---|---|---|---|---|---|---|
| AA22-05B65M-05 | AA42-05B65M-05 | AA22-10B65M-05 | AA42-10B65M-05 | AA22-20/21B65M-05 | AA42-20/21B65M-05 | 50 | AA_-_B65M-05 |
| AA22-05B65M-10 | AA42-05B65M-10 | AA22-10B65M-10 | AA42-10B65M-10 | AA22-20/21B65M-10 | AA42-20/21B65M-10 | 100 | AA_-_B65M-10 |
| AA22-05B65M-15 | AA42-05B65M-15 | AA22-10B65M-15 | AA42-10B65M-15 | AA22-20/21B65M-15 | AA42-20/21B65M-15 | 150 | AA_-_B65M-15 |
| AA22-05B65M-20 | AA42-05B65M-20 | AA22-10B65M-20 | AA42-10B65M-20 | AA22-20/21B65M-20 | AA42-20/21B65M-20 | 200 | AA_-_B65M-20 |
| AA22-05B65M-25 | AA42-05B65M-25 | AA22-10B65M-25 | AA42-10B65M-25 | AA22-20/21B65M-25 | AA42-20/21B65M-25 | 250 | AA_-_B65M-25 |
| AA22-05B65M-30 | AA42-05B65M-30 | AA22-10B65M-30 | AA42-10B65M-30 | AA22-20/21B65M-30 | AA42-20/21B65M-30 | 300 | AA_-_B65M-30 |
| AA22-05B65M-35 | AA42-05B65M-35 | AA22-10B65M-35 | AA42-10B65M-35 | AA22-20/21B65M-35 | AA42-20/21B65M-35 | 350 | AA_-_B65M-35 |
| AA22-05B65M-40 | AA42-05B65M-40 | AA22-10B65M-40 | AA42-10B65M-40 | AA22-20/21B65M-40 | AA42-20/21B65M-40 | 400 | AA_-_B65M-40 |
| AA22-05B65M-45 | AA42-05B65M-45 | AA22-10B65M-45 | AA42-10B65M-45 | AA22-20/21B65M-45 | AA42-20/21B65M-45 | 450 | AA_-_B65M-45 |
| AA22-05B65M-50 | AA42-05B65M-50 | AA22-10B65M-50 | AA42-10B65M-50 | AA22-20/21B65M-50 | AA42-20/21B65M-50 | 500 | AA_-_B65M-50 |
| AA22-05B65M-55 | AA42-05B65M-55 | AA22-10B65M-55 | AA42-10B65M-55 | AA22-20/21B65M-55 | AA42-20/21B65M-55 | 550 | AA_-_B65M-55 |
| AA22-05B65M-60 | AA42-05B65M-60 | AA22-10B65M-60 | AA42-10B65M-60 | AA22-20/21B65M-60 | AA42-20/21B65M-60 | 600 | AA_-_B65M-60 |