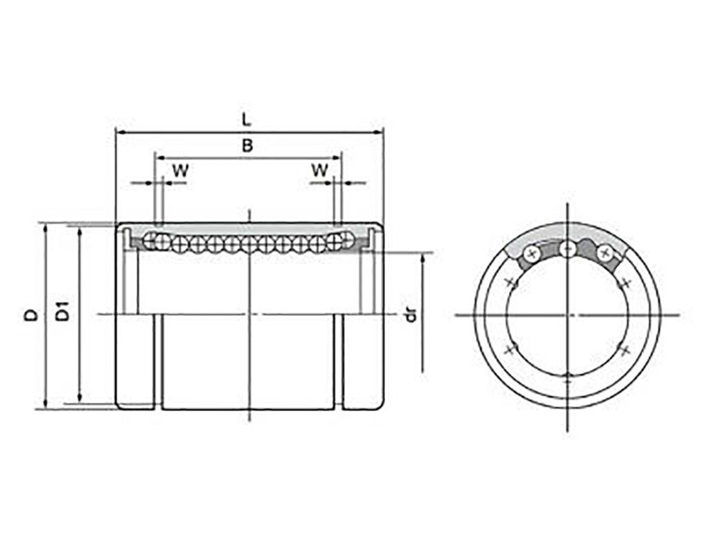
LMES Linear Ball Bearings
LMES linear ball bearings are among the commonly used series in Europe. Their dimensions differ from those of the types typically used in the USA and Asia.
In Asia, linear ball bearings are most commonly marketed under the designations SM and LM (metric dimensions). In the Americas, they are sold under the designation SW (inch dimensions).
- Outer Shell Material: Plastic cage with inserted raceway segments made of 100Cr6 (1.3505)
- Cage Material: Plastic
- Balls: 100Cr6 (1.3505)
- Seal: Nitrile rubber
Options available on request:
- Chrome-plated raceway segments
- Nickel-plated raceway segments
- Corrosion-resistant balls (1.4125)
- Without seal
- With one seal (U)
LMES Datenblatt
| Type (Lintec) | Nippon Bearing | Boschrexroth | INA | d (mm) | D (mm) | L (mm) | Cdyn (N) | Cstat (N) |
|---|---|---|---|---|---|---|---|---|
| LMES10UU | TK10UU | R060231010 | – | 10 | 19 | 29 | 750 | 550 |
| LMES12UU | TK12UU | R060201210 | KB12PP | 12 | 22 | 32 | 1230 | 1100 |
| LMES16UU | TK16UU | R060201610 | KB16PP | 16 | 26 | 36 | 1550 | 1250 |
| LMES20UU | TK20UU | R060202010 | KB20PP | 20 | 32 | 45 | 2580 | 1670 |
| LMES25UU | TK25UU | R060202510 | KB25PP | 25 | 40 | 58 | 3800 | 2750 |
| LMES30UU | TK30UU | R060203010 | KB30PP | 30 | 47 | 68 | 4710 | 2800 |
| LMES40UU | TK40UU | R060204010 | KB40PP | 40 | 62 | 80 | 6500 | 5720 |
| LMES50UU | TK50UU | R060205010 | KB50PP | 50 | 75 | 100 | 11460 | 7940 |
| LME80UU | KB80UU | R060208010 | – | 80 | 120 | 165 | 7350 | 16000 |