Electrak 14 Electric Cylinder (LA14)
Original Electrak 14 electric cylinder (formerly LA14) from Thomson Industries.
The Electrak 14 features a compact design with a robust motor and optional limit switches. The aluminum housing is rust-resistant and suitable for use in all types of vehicles.
It is driven by a trapezoidal screw drive or a ball screw drive. To maintain its position, the Electrak 14 is equipped with a wrap spring brake. All gears are made of steel. The Electrak 14 electric cylinders are available in 12, 24, and 36 V DC.
Elektrozylinder Electrak 14 (LA14)
Technical data
- Thread type: Trapezoidal thread (A) or ball screw (B)
- Anti-rotation device: Yes
- Manual override: Optional (HW)
- Holding brake: Integrated loop spring brake
- Limit switch: External limit switches (accessory)
- Measuring system: Optional potentiometer (PO)
- Motor protection: Thermal switch, self-resetting
- Motor connection: Optional plug
- Certificate: CE
- Duty cycle at full load: 25%
- Operating temperature: -25 to +65 °C (optionally down to -40 °C)
- Axial play: 1.0 mm
- Cable cross-section: 2.0 mm²
- Protection class: IP65
Accesories
- Control unit: DPDT switch (AC-063, DCD-190)
- Limit switches: NO, NC
- Mounting: Bolts, fork brackets
Electrak 14 (LA14) Electric Cylinder with Trapezoidal Screw Drive
- Motor D12: 12 VDC,
- Motor D24: 24 VDC
- Motor D36: 36 VDC
- Speed: 11 – 54 mm/s
- Feed force: 1100 – 2250 N
- Potentiometer: optional
- Limit switch: optional
- Stroke: 100 – 600 mm (4 – 24 inches)
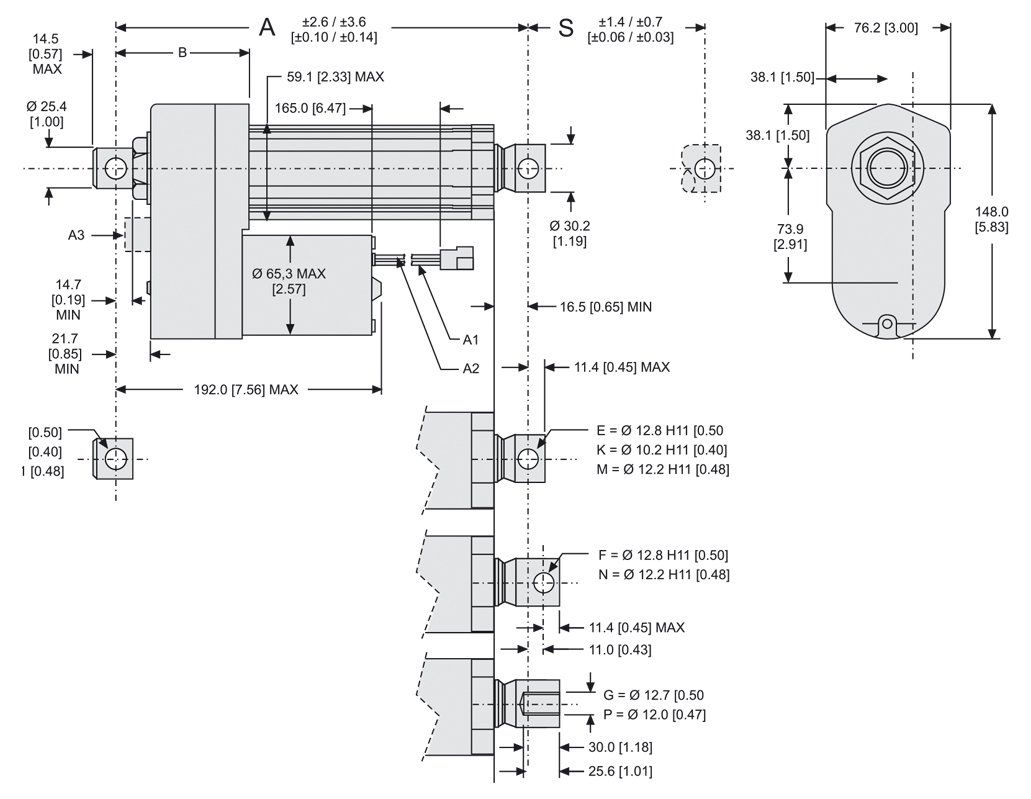
- Dimensions: D12…, D24…, D36… Electric cylinders with trapezoidal screw drive are identical
| DA12-05A65M | DA24-05A65M | DA12-10A65M | DA24-10A65M | DA12-20A65M | DA24-20A65M | Stroke (mm) | STEP-File |
|---|---|---|---|---|---|---|---|
| DA12-05A65M-05 | DA24-05A65M-05 | DA12-10A65M-05 | DA24-10A65M-05 | DA12-20A65M-05 | DA24-20A65M-05 | 50 | DA…A65-05MON |
| DA12-05A65M-10 | DA24-05A65M-10 | DA12-10A65M-10 | DA24-10A65M-10 | DA12-20A65M-10 | DA24-20A65M-10 | 100 | DA…A65-10MON |
| DA12-05A65M-15 | DA24-05A65M-15 | DA12-10A65M-15 | DA24-10A65M-15 | DA12-20A65M-15 | DA24-20A65M-15 | 150 | DA…A65-15MON |
| DA12-05A65M-20 | DA24-05A65M-20 | DA12-10A65M-20 | DA24-10A65M-20 | DA12-20A65M-20 | DA24-20A65M-20 | 200 | DA…A65-20MON |
| DA12-05A65M-25 | DA24-05A65M-25 | DA12-10A65M-25 | DA24-10A65M-25 | DA12-20A65M-25 | DA24-20A65M-25 | 250 | DA…A65-25MON |
| DA12-05A65M-30 | DA24-05A65M-30 | DA12-10A65M-30 | DA24-10A65M-30 | DA12-20A65M-30 | DA24-20A65M-30 | 300 | DA…A65-30MON |
| DA12-05A65M-35 | DA24-05A65M-35 | DA12-10A65M-35 | DA24-10A65M-35 | DA12-20A65M-35 | DA24-20A65M-35 | 350 | DA…A65-35MON |
| DA12-05A65M-40 | DA24-05A65M-40 | DA12-10A65M-40 | DA24-10A65M-40 | DA12-20A65M-40 | DA24-20A65M-40 | 400 | DA…A65-40MON |
| DA12-05A65M-45 | DA24-05A65M-45 | DA12-10A65M-45 | DA24-10A65M-45 | DA12-20A65M-45 | DA24-20A65M-45 | 450 | DA…A65-45MON |
| DA12-05A65M-50 | DA24-05A65M-50 | DA12-10A65M-50 | DA24-10A65M-50 | DA12-20A65M-50 | DA24-20A65M-50 | 500 | DA…A65-50MON |
| DA12-05A65M-55 | DA24-05A65M-55 | DA12-10A65M-55 | DA24-10A65M-55 | DA12-20A65M-55 | DA24-20A65M-55 | 550 | DA…A65-55MON |
| DA12-05A65M-60 | DA24-05A65M-60 | DA12-10A65M-60 | DA24-10A65M-60 | DA12-20A65M-60 | DA24-20A65M-60 | 600 | DA…A65-60MON |
Electrak 14 Electric Cylinder with Ball Screw Drive
- Motor D12: 12 VDC,
- Motor D24: 24 VDC
- Motor D36: 36 VDC
- Speed: 11 – 54 mm/s
- Feed force: 2250 – 6800 N
- Potentiometer: optional
- Limit switch: optional
- Stroke: 100 – 600 mm (4 – 24 inches)
- Dimensions: D12…, D24…, D36… Electric cylinders with ball screw drive are identical
| DA12-05B65M | DA24-05B65M | DA12-10B65M | DA24-10B65M | DA12-20/21B65M | DA24-20/21B65M | Stroke (mm) | STEP-File |
|---|---|---|---|---|---|---|---|
| DA12-05B65M-05 | DA24-05B65M-05 | DA12-10B65M-05 | DA24-10B65M-05 | DA12-21B65M-05 | DA24-21B65M-05 | 50 | DA…B65M-05MON |
| DA12-05B65M-10 | DA24-05B65M-10 | DA12-10B65M-10 | DA24-10B65M-10 | DA12-21B65M-10 | DA24-21B65M-10 | 100 | DA…B65M-10MON |
| DA12-05B65M-15 | DA24-05B65M-15 | DA12-10B65M-15 | DA24-10B65M-15 | DA12-21B65M-15 | DA24-21B65M-15 | 150 | DA…B65M-15MON |
| DA12-05B65M-20 | DA24-05B65M-20 | DA12-10B65M-20 | DA24-10B65M-20 | DA12-21B65M-20 | DA24-21B65M-20 | 200 | DA…B65M-20MON |
| DA12-05B65M-25 | DA24-05B65M-25 | DA12-10B65M-25 | DA24-10B65M-25 | DA12-21B65M-25 | DA24-21B65M-25 | 250 | DA…B65M-25MON |
| DA12-05B65M-30 | DA24-05B65M-30 | DA12-10B65M-30 | DA24-10B65M-30 | DA12-21B65M-30 | DA24-21B65M-30 | 300 | DA…B65M-30MON |
| DA12-05B65M-35 | DA24-05B65M-35 | DA12-10B65M-35 | DA24-10B65M-35 | DA12-21B65M-35 | DA24-21B65M-35 | 350 | DA…B65M-35MON |
| DA12-05B65M-40 | DA24-05B65M-40 | DA12-10B65M-40 | DA24-10B65M-40 | DA12-21B65M-40 | DA24-21B65M-40 | 400 | DA…B65M-40MON |
| DA12-05B65M-45 | DA24-05B65M-45 | DA12-10B65M-45 | DA24-10B65M-45 | DA12-21B65M-45 | DA24-21B65M-45 | 450 | DA…B65M-45MON |
| DA12-05B65M-50 | DA24-05B65M-50 | DA12-10B65M-50 | DA24-10B65M-50 | DA12-21B65M-50 | DA24-21B65M-50 | 500 | DA…B65M-50MON |
| DA12-05B65M-55 | DA24-05B65M-55 | DA12-10B65M-55 | DA24-10B65M-55 | DA12-21B65M-55 | DA24-21B65M-55 | 550 | DA…B65M-55MON |
| DA12-05B65M-60 | DA24-05B65M-60 | DA12-10B65M-60 | DA24-10B65M-60 | DA12-21B65M-60 | DA24-21B65M-60 | 600 | DA…B65M-60MON |