Elektrozylinder Electrak FA14
Original Elektrozylinder Electrak FA14 vom Hersteller Thomson Industries. Der Elektrozylinder Electrak FA14 hat eine sehr kompakte Bauweise und kann mit jedem passenden Motor bestückt werden. Das Gehäuse aus Aluminium ist rostbeständig und für den Einsatz Fahrzeugen aller Art geeignet.
Der Antrieb erfolgt über einen Trapezgewindetrieb oder einen Kugelgewindetrieb. Damit der Electrak FA14 seine Position hält besitzt er eine Schlingfederbremse. Alle Zahnräder sind aus Stahl gefertigt.
Elektrozylinder Electrak FA14
Technische Daten
- Gewindetyp: Trapezgewinde (A) oder Kugelgewindetrieb (B)
- Verdrehsicherung: Ja
- Handbetätigung: optional (HW)
- Haltebremse: Schlingefederbremse integriert
- Endschalter: Externe Endschalter als Zubehör
- Messsystem: optional Potentiometer (PO)
- Certifikat: CE
- Einschaltdauer bei voller Last: 25 %
- Betriebstemperatur: -25 bis +65 °C, optional -40 °C
- Axialspiel: 1,0 mm
- Schutzart: IP65
Zubehör
- Endschalter: NO, NC
- Befestigung: Bolzen, Gabelböcke
Elektrozylinder Electrak FA14 mit Trapezgewindetrieb
- Geschwindigkeit: 1 – 100 mm/s
- Vorschubkraft: max. 2250 N
- Potentiometer: optional
- Endschalter: optional
- Hub: 50 – 600 mm (2 – 24 Zoll)
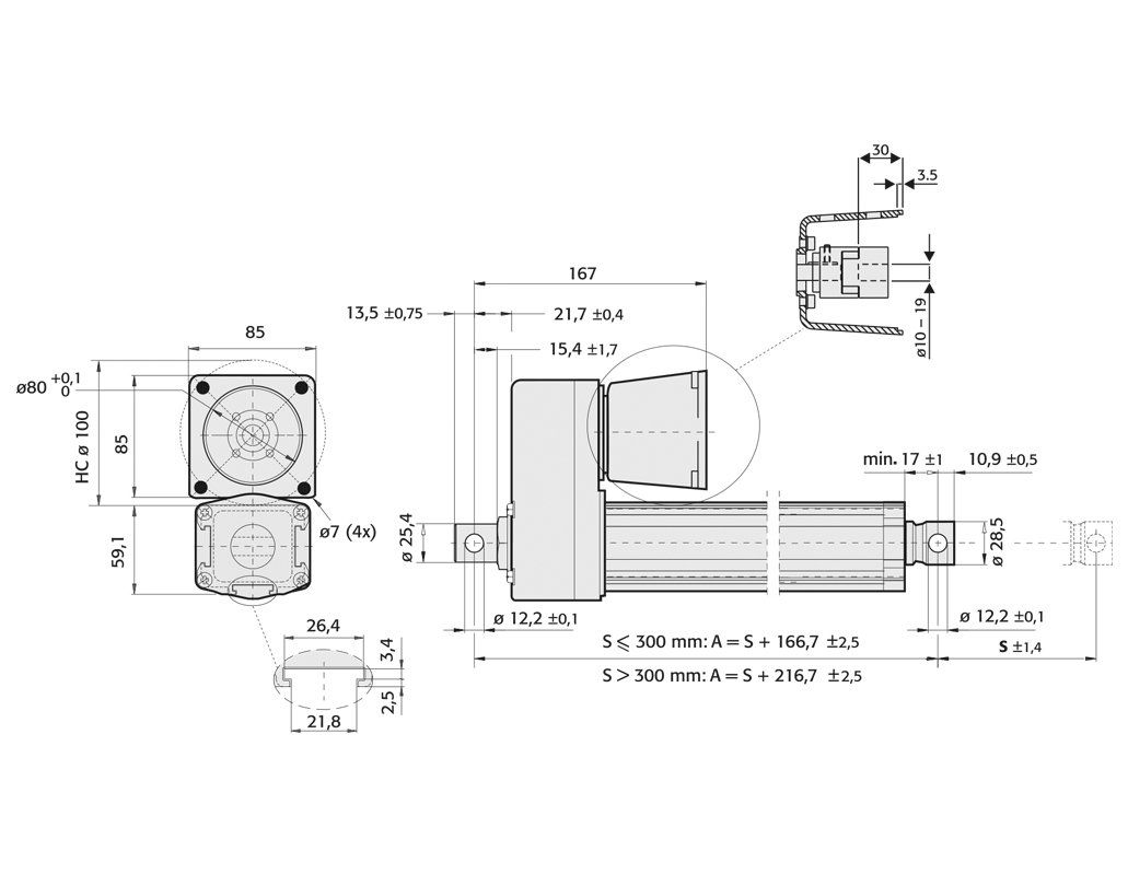
- Abmessungen: Alle FA14 Zylinder mit Trapezgewindetrieb sind baugleich
| FA14-05A65M | FA14-10A65M | FA14-20A65M | Hub (mm) | STEP-File |
|---|---|---|---|---|
| FA14-05A65M-05 | FA14-10A65M-05 | FA14-20A65M-05 | 50 | FA14-…A65-05MON |
| FA14-05A65M-10 | FA14-10A65M-10 | FA14-20A65M-10 | 100 | FA14-…A65-10MON |
| FA14-05A65M-15 | FA14-10A65M-15 | FA14-20A65M-15 | 150 | FA14-…A65-15MON |
| FA14-05A65M-20 | FA14-10A65M-20 | FA14-20A65M-20 | 200 | FA14-…A65-20MON |
| FA14-05A65M-25 | FA14-10A65M-25 | FA14-20A65M-25 | 250 | FA14-…A65-25MON |
| FA14-05A65M-30 | FA14-10A65M-30 | FA14-20A65M-30 | 300 | FA14-…A65-30MON |
| FA14-05A65M-35 | FA14-10A65M-35 | FA14-20A65M-35 | 350 | FA14-…A65-35MON |
| FA14-05A65M-40 | FA14-10A65M-40 | FA14-20A65M-40 | 400 | FA14-…A65-40MON |
| FA14-05A65M-45 | FA14-10A65M-45 | FA14-20A65M-45 | 450 | FA14-…A65-45MON |
| FA14-05A65M-50 | FA14-10A65M-50 | FA14-20A65M-50 | 500 | FA14-…A65-50MON |
| FA14-05A65M-55 | FA14-10A65M-55 | FA14-20A65M-55 | 550 | FA14-…A65-55MON |
| FA14-05A65M-60 | FA14-10A65M-60 | FA14-20A65M-60 | 600 | FA14-…A65-60MON |
Elektrozylinder Electrak FA14 mit Kugelgewindetrieb
- Geschwindigkeit: max. 100 mm/s
- Vorschubkraft: max. 10.000 N
- Potentiometer: optional
- Endschalter: optional
- Hub: 100 – 600 mm (4 – 24 Zoll)
- Abmessungen: Alle FA14 Zylinder mit Kugelgewindetrieb sind baugleich
| FA14-05B65M | FA14-10B65M | FA14-20B65M | FA14-21B65M | Hub (mm) | STEP-File |
|---|---|---|---|---|---|
| FA14-05B65M-05 | FA14-10B65M-05 | FA14-20B65M-05 | FA14-21B65M-05 | 50 | FA14-…B65M-05MON |
| FA14-05B65M-10 | FA14-10B65M-10 | FA14-20B65M-10 | FA14-21B65M-10 | 100 | FA14-…B65M-10MON |
| FA14-05B65M-15 | FA14-10B65M-15 | FA14-20B65M-15 | FA14-21B65M-15 | 150 | FA14-…B65M-15MON |
| FA14-05B65M-20 | FA14-10B65M-20 | FA14-20B65M-20 | FA14-21B65M-20 | 200 | FA14-…B65M-20MON |
| FA14-05B65M-25 | FA14-10B65M-25 | FA14-20B65M-25 | FA14-21B65M-25 | 250 | FA14-…B65M-25MON |
| FA14-05B65M-30 | FA14-10B65M-30 | FA14-20B65M-30 | FA14-21B65M-30 | 300 | FA14-…B65M-30MON |
| FA14-05B65M-35 | FA14-10B65M-35 | FA14-20B65M-35 | FA14-21B65M-35 | 350 | FA14-…B65M-35MON |
| FA14-05B65M-40 | FA14-10B65M-40 | FA14-20B65M-40 | FA14-21B65M-40 | 400 | FA14-…B65M-40MON |
| FA14-05B65M-45 | FA14-10B65M-45 | FA14-20B65M-45 | FA14-21B65M-45 | 450 | FA14-…B65M-45MON |
| FA14-05B65M-50 | FA14-10B65M-50 | FA14-20B65M-50 | FA14-21B65M-50 | 500 | FA14-…B65M-50MON |
| FA14-05B65M-55 | FA14-10B65M-55 | FA14-20B65M-55 | FA14-21B65M-55 | 550 | FA14-…B65M-55MON |
| FA14-05B65M-60 | FA14-10B65M-60 | FA14-20B65M-65 | FA14-21B65M-60 | 600 | FA14-…B65M-60MON |