Elektrozylinder Electrak 14 (LA14)
Original Elektrozylinder Electrak 14 (alte Bezeichnung LA14) vom Hersteller Thomson Industries.
Der Elektrozylinder Electrak 14 hat eine sehr kompakte Bauweise mit einem sehr robusten Motor und optionalen Endschaltern. Das Gehäuse aus Aluminium ist rostbeständig und für den Einsatz Fahrzeugen aller Art geeignet.
Der Antrieb erfolgt über einen Trapezgewindetrieb oder einen Kugelgewindetrieb. Damit der Electrak 14 seine Position hält besitzt er eine Schlingfederbremse. Alle Zahnräder sind aus Stahl gefertigt. Die Elektrozylinder Electrak 14 werden mit 12, 24 und 36 V DC Motoren gefertigt.
Elektrozylinder Electrak 14 (LA14)
Technische Daten
- Gewindetyp: Trapezgewinde (A) oder Kugelgewindetrieb (B)
- Verdrehsicherung: Ja
- Handbetätigung: optional (HW)
- Haltebremse: Schlingefederbremse integriert
- Endschalter: Externe Endschalter als Zubehör
- Messsystem: optional Potentiometer (PO)
- Motorschutz: Thermoschalter, selbst rückstellend
- Motoranschluss: Optional Stecker
- Certifikat: CE
- Einschaltdauer bei voller Last: 25 %
- Betriebstemperatur: -25 bis +65 °C, optional -40 °C
- Axialspiel: 1,0 mm
- Leitungsquerschnitt: 2,0 mm²
- Schutzart: IP65
Zubehör
- Steuerung: DPDT Schalter, AC-063, DCD-190
- Endschalter: NO, NC
- Befestigung: Bolzen, Gabelböcke
Elektrozylinder Electrak 14 (LA14) mit Trapezgewindetrieb
- Motor D12: 12 VDC,
- Motor D24: 24 VDC
- Motor D36: 36 VDC
- Geschwindigkeit: 11 – 54 mm/s
- Vorschubkraft: 1100 – 2250 N
- Potentiometer: optional
- Endschalter: optional
- Hub: 100 – 600 mm (4 – 24 Zoll)
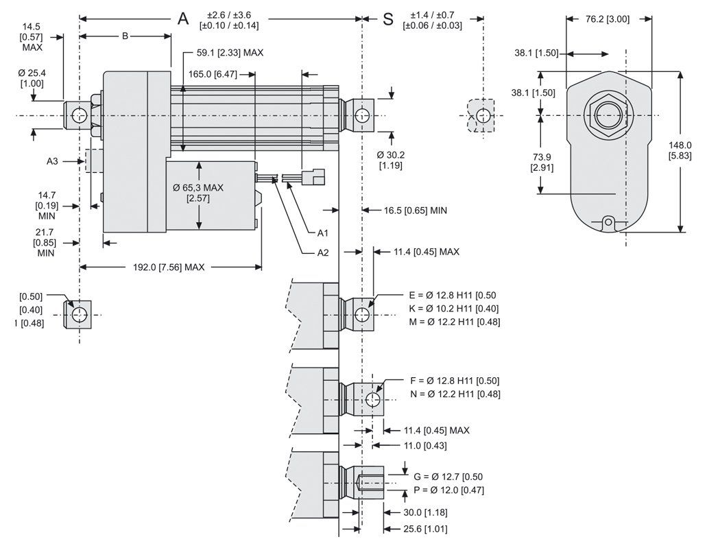
- Abmessungen: D12…, D24…, D36… Elektrozylinder mit Trapezgewindetrieb sind baugleich
| DA12-05A65M | DA24-05A65M | DA12-10A65M | DA24-10A65M | DA12-20A65M | DA24-20A65M | Hub (mm) | STEP-File |
|---|---|---|---|---|---|---|---|
| DA12-05A65M-05 | DA24-05A65M-05 | DA12-10A65M-05 | DA24-10A65M-05 | DA12-20A65M-05 | DA24-20A65M-05 | 50 | DA…A65-05MON |
| DA12-05A65M-10 | DA24-05A65M-10 | DA12-10A65M-10 | DA24-10A65M-10 | DA12-20A65M-10 | DA24-20A65M-10 | 100 | DA…A65-10MON |
| DA12-05A65M-15 | DA24-05A65M-15 | DA12-10A65M-15 | DA24-10A65M-15 | DA12-20A65M-15 | DA24-20A65M-15 | 150 | DA…A65-15MON |
| DA12-05A65M-20 | DA24-05A65M-20 | DA12-10A65M-20 | DA24-10A65M-20 | DA12-20A65M-20 | DA24-20A65M-20 | 200 | DA…A65-20MON |
| DA12-05A65M-25 | DA24-05A65M-25 | DA12-10A65M-25 | DA24-10A65M-25 | DA12-20A65M-25 | DA24-20A65M-25 | 250 | DA…A65-25MON |
| DA12-05A65M-30 | DA24-05A65M-30 | DA12-10A65M-30 | DA24-10A65M-30 | DA12-20A65M-30 | DA24-20A65M-30 | 300 | DA…A65-30MON |
| DA12-05A65M-35 | DA24-05A65M-35 | DA12-10A65M-35 | DA24-10A65M-35 | DA12-20A65M-35 | DA24-20A65M-35 | 350 | DA…A65-35MON |
| DA12-05A65M-40 | DA24-05A65M-40 | DA12-10A65M-40 | DA24-10A65M-40 | DA12-20A65M-40 | DA24-20A65M-40 | 400 | DA…A65-40MON |
| DA12-05A65M-45 | DA24-05A65M-45 | DA12-10A65M-45 | DA24-10A65M-45 | DA12-20A65M-45 | DA24-20A65M-45 | 450 | DA…A65-45MON |
| DA12-05A65M-50 | DA24-05A65M-50 | DA12-10A65M-50 | DA24-10A65M-50 | DA12-20A65M-50 | DA24-20A65M-50 | 500 | DA…A65-50MON |
| DA12-05A65M-55 | DA24-05A65M-55 | DA12-10A65M-55 | DA24-10A65M-55 | DA12-20A65M-55 | DA24-20A65M-55 | 550 | DA…A65-55MON |
| DA12-05A65M-60 | DA24-05A65M-60 | DA12-10A65M-60 | DA24-10A65M-60 | DA12-20A65M-60 | DA24-20A65M-60 | 600 | DA…A65-60MON |
Elektrozylinder Electrak 14 mit Kugelgewindetrieb
- Motor D12: 12 VDC,
- Motor D24: 24 VDC
- Motor D36: 36 VDC
- Geschwindigkeit: 11 – 54 mm/s
- Vorschubkraft: 2250 – 6800 N
- Potentiometer: optional
- Endschalter: optional
- Hub: 100 – 600 mm (4 – 24 Zoll)
- Abmessungen: D12…, D24…, D36… Elektrozylinder mit Kugelgewindetrieb sind baugleich
| DA12-05B65M | DA24-05B65M | DA12-10B65M | DA24-10B65M | DA12-20/21B65M | DA24-20/21B65M | Hub (mm) | STEP-File |
|---|---|---|---|---|---|---|---|
| DA12-05B65M-05 | DA24-05B65M-05 | DA12-10B65M-05 | DA24-10B65M-05 | DA12-21B65M-05 | DA24-21B65M-05 | 50 | DA…B65M-05MON |
| DA12-05B65M-10 | DA24-05B65M-10 | DA12-10B65M-10 | DA24-10B65M-10 | DA12-21B65M-10 | DA24-21B65M-10 | 100 | DA…B65M-10MON |
| DA12-05B65M-15 | DA24-05B65M-15 | DA12-10B65M-15 | DA24-10B65M-15 | DA12-21B65M-15 | DA24-21B65M-15 | 150 | DA…B65M-15MON |
| DA12-05B65M-20 | DA24-05B65M-20 | DA12-10B65M-20 | DA24-10B65M-20 | DA12-21B65M-20 | DA24-21B65M-20 | 200 | DA…B65M-20MON |
| DA12-05B65M-25 | DA24-05B65M-25 | DA12-10B65M-25 | DA24-10B65M-25 | DA12-21B65M-25 | DA24-21B65M-25 | 250 | DA…B65M-25MON |
| DA12-05B65M-30 | DA24-05B65M-30 | DA12-10B65M-30 | DA24-10B65M-30 | DA12-21B65M-30 | DA24-21B65M-30 | 300 | DA…B65M-30MON |
| DA12-05B65M-35 | DA24-05B65M-35 | DA12-10B65M-35 | DA24-10B65M-35 | DA12-21B65M-35 | DA24-21B65M-35 | 350 | DA…B65M-35MON |
| DA12-05B65M-40 | DA24-05B65M-40 | DA12-10B65M-40 | DA24-10B65M-40 | DA12-21B65M-40 | DA24-21B65M-40 | 400 | DA…B65M-40MON |
| DA12-05B65M-45 | DA24-05B65M-45 | DA12-10B65M-45 | DA24-10B65M-45 | DA12-21B65M-45 | DA24-21B65M-45 | 450 | DA…B65M-45MON |
| DA12-05B65M-50 | DA24-05B65M-50 | DA12-10B65M-50 | DA24-10B65M-50 | DA12-21B65M-50 | DA24-21B65M-50 | 500 | DA…B65M-50MON |
| DA12-05B65M-55 | DA24-05B65M-55 | DA12-10B65M-55 | DA24-10B65M-55 | DA12-21B65M-55 | DA24-21B65M-55 | 550 | DA…B65M-55MON |
| DA12-05B65M-60 | DA24-05B65M-60 | DA12-10B65M-60 | DA24-10B65M-60 | DA12-21B65M-60 | DA24-21B65M-60 | 600 | DA…B65M-60MON |