Elektrozylinder Electrak 24 (LA24)
Original Elektrozylinder Electrak 24 (alte Bezeichnung LA24) vom Hersteller Thomson Industries.
Der Elektrozylinder Electrak 24 hat eine sehr kompakte Bauweise mit einem sehr robusten Motor und optionalen Endschaltern. Das Gehäuse aus Aluminium ist rostbeständig und für den Einsatz Fahrzeugen aller Art geeignet.
Der Antrieb erfolgt über einen Trapezgewindetrieb oder einen Kugelgewindetrieb. Damit der Electrak 24 seine Position hält besitzt er eine Schlingfederbremse. Alle Zahnräder sind aus Stahl gefertigt. Die Elektrozylinder Electrak 24 werden mit 110, 230 und 400 V AC Motoren gefertigt.
Elektrozylinder Electrak 24 (LA24)
Technische Daten
- Gewindetyp: Trapezgewinde (A) oder Kugelgewindetrieb (B)
- Verdrehsicherung: Ja
- Handbetätigung: optional (HW)
- Haltebremse: Schlingefederbremse integriert
- Endschalter: Externe Endschalter als Zubehör
- Messsystem: optional Potentiometer (PO)
- Motorschutz: Thermoschalter, selbst rückstellend
- Motoranschluss: Optional Stecker
- Certifikat: CE
- Einschaltdauer bei voller Last: 25 %
- Betriebstemperatur: -25 bis +65 °C, optional -40 °C
- Axialspiel: 1,0 mm
- Leitungsquerschnitt: 2,0 mm²
- Schutzart: IP65
Zubehör
- Steuerung: DPDT Schalter, AC-063, DCD-190
- Endschalter: NO, NC
- Befestigung: Bolzen, Gabelböcke
Elektrozylinder Electrak 24 (LA24) mit Trapezgewindetrieb
- Motor AA22: 230 VAC
- Motor AA42: 400 VAC
- Geschwindigkeit: 11 – 48 mm/s
- Vorschubkraft: 1100 – 2250 N
- Potentiometer: optional
- Endschalter: optional
- Hub: 100 – 600 mm (4 – 24 Zoll)
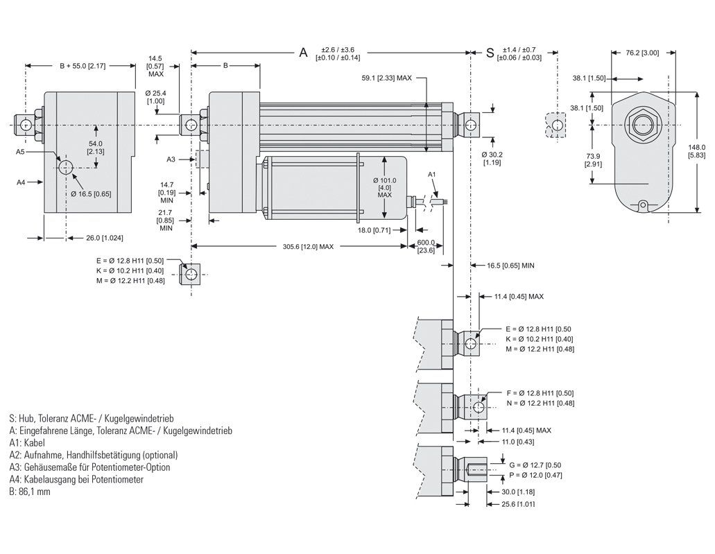
- Abmessungen: AA22… und AA42… Elektrozylinder LA24 mit Trapezgewindetrieb sind baugleich
| AA22-05A65M | AA42-05A65M | AA22-10A65M | AA42-10A65M | AA22-20A65M | AA42-20A65M | Hub (mm) | STEP-File |
|---|---|---|---|---|---|---|---|
| AA22-05A65M-05 | AA42-05A65M-05 | AA22-10A65M-05 | AA42-10A65M-05 | AA22-20A65M-05 | AA42-20A65M-05 | 50 | AA..-..A65-05MON |
| AA22-05A65M-10 | AA42-05A65M-10 | AA22-10A65M-10 | AA42-10A65M-10 | AA22-20A65M-10 | AA42-20A65M-10 | 100 | AA..-..A65-10MON |
| AA22-05A65M-15 | AA42-05A65M-15 | AA22-10A65M-15 | AA42-10A65M-15 | AA22-20A65M-15 | AA42-20A65M-15 | 150 | AA..-..A65-15MON |
| AA22-05A65M-20 | AA42-05A65M-20 | AA22-10A65M-20 | AA42-10A65M-20 | AA22-20A65M-20 | AA42-20A65M-20 | 200 | AA..-..A65-20MON |
| AA22-05A65M-25 | AA42-05A65M-25 | AA22-10A65M-25 | AA42-10A65M-25 | AA22-20A65M-25 | AA42-20A65M-25 | 250 | AA..-..A65-25MON |
| AA22-05A65M-30 | AA42-05A65M-30 | AA22-10A65M-30 | AA42-10A65M-30 | AA22-20A65M-30 | AA42-20A65M-30 | 300 | AA..-..A65-30MON |
| AA22-05A65M-35 | AA42-05A65M-35 | AA22-10A65M-35 | AA42-10A65M-35 | AA22-20A65M-35 | AA42-20A65M-35 | 350 | AA..-..A65-35MON |
| AA22-05A65M-40 | AA42-05A65M-40 | AA22-10A65M-40 | AA42-10A65M-40 | AA22-20A65M-40 | AA42-20A65M-40 | 400 | AA..-..A65-40MON |
| AA22-05A65M-45 | AA42-05A65M-45 | AA22-10A65M-45 | AA42-10A65M-45 | AA22-20A65M-45 | AA42-20A65M-45 | 450 | AA..-..A65-45MON |
| AA22-05A65M-50 | AA42-05A65M-50 | AA22-10A65M-50 | AA42-10A65M-50 | AA22-20A65M-50 | AA42-20A65M-50 | 500 | AA..-..A65-50MON |
| AA22-05A65M-55 | AA42-05A65M-55 | AA22-10A65M-55 | AA42-10A65M-55 | AA22-20A65M-55 | AA42-20A65M-55 | 550 | AA..-..A65-55MON |
| AA22-05A65M-60 | AA42-05A65M-60 | AA22-10A65M-60 | AA42-10A65M-60 | AA22-20A65M-60 | AA42-20A65M-60 | 600 | AA..-..A65-60MON |
Elektrozylinder Electrak 24 (LA24) mit Kugelgewindetrieb
- Motor AA22: 230 VAC
- Motor AA42: 400 VAC
- Geschwindigkeit: 11 – 48 mm/s
- Vorschubkraft: 2250 – 6800 N
- Potentiometer: optional
- Endschalter: optional
- Hub: 100 – 600 mm (4 – 24 Zoll)
- Abmessungen: AA22… und AA42… Elektrozylinder LA24 mit Trapezgewindetrieb sind baugleich
| AA22-05B65M | AA42-05B65M | AA22-10B65M | AA42-10B65M | AA22-20/21B65M | AA42-20/21B65M | Hub (mm) | STEP-File |
|---|---|---|---|---|---|---|---|
| AA22-05B65M-05 | AA42-05B65M-05 | AA22-10B65M-05 | AA42-10B65M-05 | AA22-20/21B65M-05 | AA42-20/21B65M-05 | 50 | AA_-_B65M-05 |
| AA22-05B65M-10 | AA42-05B65M-10 | AA22-10B65M-10 | AA42-10B65M-10 | AA22-20/21B65M-10 | AA42-20/21B65M-10 | 100 | AA_-_B65M-10 |
| AA22-05B65M-15 | AA42-05B65M-15 | AA22-10B65M-15 | AA42-10B65M-15 | AA22-20/21B65M-15 | AA42-20/21B65M-15 | 150 | AA_-_B65M-15 |
| AA22-05B65M-20 | AA42-05B65M-20 | AA22-10B65M-20 | AA42-10B65M-20 | AA22-20/21B65M-20 | AA42-20/21B65M-20 | 200 | AA_-_B65M-20 |
| AA22-05B65M-25 | AA42-05B65M-25 | AA22-10B65M-25 | AA42-10B65M-25 | AA22-20/21B65M-25 | AA42-20/21B65M-25 | 250 | AA_-_B65M-25 |
| AA22-05B65M-30 | AA42-05B65M-30 | AA22-10B65M-30 | AA42-10B65M-30 | AA22-20/21B65M-30 | AA42-20/21B65M-30 | 300 | AA_-_B65M-30 |
| AA22-05B65M-35 | AA42-05B65M-35 | AA22-10B65M-35 | AA42-10B65M-35 | AA22-20/21B65M-35 | AA42-20/21B65M-35 | 350 | AA_-_B65M-35 |
| AA22-05B65M-40 | AA42-05B65M-40 | AA22-10B65M-40 | AA42-10B65M-40 | AA22-20/21B65M-40 | AA42-20/21B65M-40 | 400 | AA_-_B65M-40 |
| AA22-05B65M-45 | AA42-05B65M-45 | AA22-10B65M-45 | AA42-10B65M-45 | AA22-20/21B65M-45 | AA42-20/21B65M-45 | 450 | AA_-_B65M-45 |
| AA22-05B65M-50 | AA42-05B65M-50 | AA22-10B65M-50 | AA42-10B65M-50 | AA22-20/21B65M-50 | AA42-20/21B65M-50 | 500 | AA_-_B65M-50 |
| AA22-05B65M-55 | AA42-05B65M-55 | AA22-10B65M-55 | AA42-10B65M-55 | AA22-20/21B65M-55 | AA42-20/21B65M-55 | 550 | AA_-_B65M-55 |
| AA22-05B65M-60 | AA42-05B65M-60 | AA22-10B65M-60 | AA42-10B65M-60 | AA22-20/21B65M-60 | AA42-20/21B65M-60 | 600 | AA_-_B65M-60 |