Elektrozylinder Electrak 10 (LA10)
Original Elektrozylinder Electrak 10 (alte Bezeichnung LA10) vom Hersteller Thomson.
Der Elektrozylinder Electrak 10 hat eine sehr kompakte Bauweise mit einem sehr robusten Motor. Das Gehäuse aus Aluminium ist rostbeständig und für den Einsatz Fahrzeugen aller Art geeignet.
Der Antrieb erfolgt über einen Trapezgewindetrieb oder einen Kugelgewindetrieb. Damit der Electrak 10 seine Position hält besitzt er eine Schlingfederbremse. Alle Zahnräder sind aus Stahl gefertigt. Die Elektrozylinder Electrak 10 werden mit 12, 24 und 36 V DC Motoren gefertigt.
Elektrozylinder Electrak 10 (LA10)
Technische Daten
- Gewindetyp: Trapezgewinde oder Kugelgewindetrieb
- Verdrehsicherung: Nein
- Handbetätigung: optional (HW)
- Haltebremse: integrierte Schlingfederbremse
- Endschalter: Nein
- Motorschutz: Thermoschalter, selbst rückstellend
- Motoranschluss: Optional Stecker
- Certifikat: CE
- Einschaltdauer bei voller Last: 25 %
- Betriebstemperatur: -25 bis +65 °C, optional -40 °C
- Axialspiel: 1,0 mm
- Leitungsquerschnitt: 2,0 mm²
- Schutzart: IP45
Zubehör
- Steuerung: DPDT Schalter, AC-063, DCG-190
Elektrozylinder Electrak 10 mit Trapezgewindetrieb
- Motor D12: 12 VDC,
- Motor D24: 24 VDC
- Motor D36: 36 VDC
- Geschwindigkeit: 11 – 54 mm/s
- Vorschubkraft: 1100 – 2250 N
- Potentiometer: optional
- Hub: 100 – 600 mm (4 – 24 Zoll)
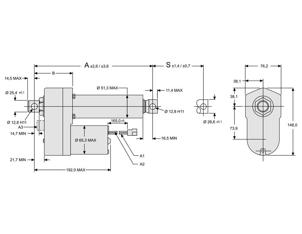
- Abmessungen: D12…, D24…, D36… Elektrozylinder LA10 mit Trapezgewindetrieb sind baugleich
| D12-05A5 | D24-05A5 | D12-10A5 | D24-10A5 | D12-20A5 | D24-20A5 | Hub (mm) | STEP-File |
|---|---|---|---|---|---|---|---|
| D12-05A5-04 | D24-05A5-04 | D12-10A5-04 | D24-10A5-04 | D12-20A5-04 | D24-20A5-04 | 101,6 | D..-..A5-04 |
| D12-05A5-06 | D24-05A5-06 | D12-10A5-06 | D24-10A5-06 | D12-20A5-06 | D24-20A5-06 | 152,4 | D..-..A5-06 |
| D12-05A5-08 | D24-05A5-08 | D12-10A5-08 | D24-10A5-08 | D12-20A5-08 | D24-20A5-08 | 203,2 | D..-..A5-08 |
| D12-05A5-10 | D24-05A5-10 | D12-10A5-10 | D24-10A5-10 | D12-20A5-10 | D24-20A5-10 | 254,0 | D..-..A5-10 |
| D12-05A5-12 | D24-05A5-12 | D12-10A5-12 | D24-10A5-12 | D12-20A5-12 | D24-20A5-12 | 304,8 | D..-..A5-12 |
| D12-05A5-14 | D24-05A5-14 | D12-10A5-14 | D24-10A5-14 | D12-20A5-14 | D24-20A5-14 | 355,6 | D..-..A5-14 |
| D12-05A5-16 | D24-05A5-16 | D12-10A5-16 | D24-10A5-16 | D12-20A5-16 | D24-20A5-16 | 406,4 | D..-..A5-16 |
| D12-05A5-18 | D24-05A5-18 | D12-10A5-18 | D24-10A5-18 | D12-20A5-18 | D24-20A5-18 | 457,2 | D..-..A5-18 |
| D12-05A5-20 | D24-05A5-20 | D12-10A5-20 | D24-10A5-20 | D12-20A5-20 | D24-20A5-20 | 508,0 | D..-..A5-20 |
| D12-05A5-24 | D24-05A5-24 | D12-10A5-24 | D24-10A5-24 | D12-20A5-24 | D24-20A5-24 | 609,6 | D..-..A5-24 |
Elektrozylinder Electrak 10 mit Kugelgewindetrieb
- Motor D12: 12 VDC,
- Motor D24: 24 VDC
- Motor D36: 36 VDC
- Geschwindigkeit: 11 – 54 mm/s
- Vorschubkraft: 2250 – 6800 N
- Potentiometer: optional
- Hub: 100 – 600 mm (4 – 24 Zoll)
- Abmessungen: D12…, D24…, D36… Elektrozylinder LA10 mit Kugelgewindetrieb sind baugleich
| D12-05B5 | D24-05B5 | D12-10B5 | D24-10B5 | D12-20/21B5 | D24-20/21B5 | Hub (mm) | STEP-File |
|---|---|---|---|---|---|---|---|
| D12-05B5-04 | D24-05B5-04 | D12-10B5-04 | D24-10B5-04 | D12-20/21B5-04 | D24-20/21B5-04 | 101,6 | D..-..B5-04MON |
| D12-05B5-06 | D24-05B5-06 | D12-10B5-06 | D24-10B5-06 | D12-20/21B5-06 | D24-20/21B5-06 | 152,4 | D..-..B5-06MON |
| D12-05B5-08 | D24-05B5-08 | D12-10B5-08 | D24-10B5-08 | D12-20/21B5-08 | D24-20/21B5-08 | 203,2 | D..-..B5-08MON |
| D12-05B5-10 | D24-05B5-10 | D12-10B5-10 | D24-10B5-10 | D12-20/21B5-10 | D24-20/21B5-10 | 254,0 | D..-..B5-10MON |
| D12-05B5-12 | D24-05B5-12 | D12-10B5-12 | D24-10B5-12 | D12-20/21B5-12 | D24-20/21B5-12 | 304,8 | D..-..B5-12MON |
| D12-05B5-14 | D24-05B5-14 | D12-10B5-14 | D24-10B5-14 | D12-20/21B5-14 | D24-20/21B5-14 | 355,6 | D..-..B5-14MON |
| D12-05B5-16 | D24-05B5-16 | D12-10B5-16 | D24-10B5-16 | D12-20/21B5-16 | D24-20/21B5-16 | 406,4 | D..-..B5-16MON |
| D12-05B5-18 | D24-05B5-18 | D12-10B5-18 | D24-10B5-18 | D12-20/21B5-18 | D24-20/21B5-18 | 457,2 | D..-..B5-18MON |
| D12-05B5-20 | D24-05B5-20 | D12-10B5-20 | D24-10B5-20 | D12-20/21B5-20 | D24-20/21B5-20 | 508,0 | D..-..B5-20MON |
| D12-05B5-24 | D24-05B5-24 | D12-10B5-24 | D24-10B5-24 | D12-20/21B5-24 | D24-20/21B5-24 | 609,6 | D..-..B5-24MON |