Elektrozylinder Electrak 1SP (LA1-SP)
Original Elektrozylinder Electrak 1SP (alte Bezeichnung LA1-SP) vom Hersteller Thomson.
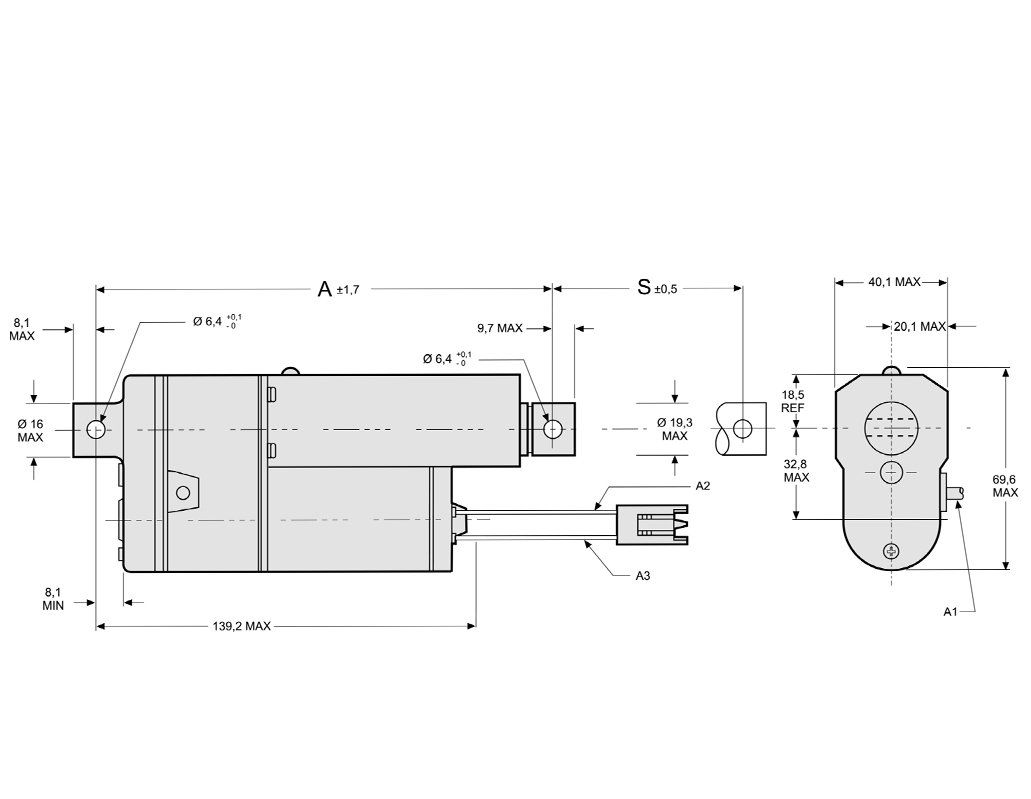
Der Elektrozylinder Electrak 1SP hat eine sehr kompakte Bauweise mit einem sehr robusten Motor und zeigt die aktuelle Position über einen Potentiometer an. Das Gehäuse aus Aluminium ist relativ rostbeständig und für den Einsatz Fahrzeugen aller Art geeignet.
Eingebaute Endschalter und schalten den Elektrozylinder Electrak 1SP zuverlässig ab. Der Antrieb erfolgt über einen Trapezgewindetrieb und ist selbsthemmend. Alle Zahnräder sind aus Stahl gefertigt. Die Elektrozylinder Electrak 1SP werden in 12, 24 und 36 V DC gefertigt und sind wartungsfrei.
Elektrozylinder Electrak 1SP (LA1-SP)
Technische Daten
- Gewindetyp: Trapezgewinde
- Verdrehsicherung: Nein
- Handbetätigung: Nein
- Haltebremse: Nein, selbsthemmend
- Endschalter: Ja, fest eingestellt
- Motorschutz: Thermoschalter, selbst rückstellend
- Motoranschluss: Pack-Con Stecker, 8911773, mit Klemmen 6294511
- Certifikat: CE
- Einschaltdauer bei voller Last: 25 %
- Betriebstemperatur: -25 bis +65 °C, optional -40 °C
- Axialspiel: 0,9 mm
- Leitungsquerschnitt: 1 mm²
- Schutzart: IP65
- Potentiometer 10 kOhm
Zubehör
- Steuerung: AC-247 ELS (Eingangsspannung 12 oder 24 VDC)
- Steuerung: DCG-150 (Eingangsspannung 230 VAC)
| Type 12 VDC | Type 24 VDC | Type 36 VDC | Hub (mm) | Kraft dyn. (N) | Kraft stat. (N) | Geschw. (mm/s) | A (mm) | CAD |
|---|---|---|---|---|---|---|---|---|
| SP12-09A04-01 | SP24-09A04-01 | SP36-09A04-01 | 20,8 | 110 | 13000 | 52 -75 | 177,1 | LA1-SP-1 |
| SP12-09A04-02 | SP24-09A04-02 | SP36-09A04-02 | 46,2 | 110 | 13000 | 52 -75 | 197,9 | LA1-SP-2 |
| SP12-09A04-03 | SP24-09A04-03 | SP36-09A04-03 | 71,6 | 110 | 13000 | 52 -75 | 226,1 | LA1-SP-3 |
| SP12-09A04-04 | SP24-09A04-04 | SP36-09A04-04 | 97,0 | 110 | 13000 | 52 -75 | 254,3 | LA1-SP-4 |
| SP12-09A04-05 | SP24-09A04-05 | SP36-09A04-05 | 122,4 | 110 | 13000 | 52 -75 | 282,5 | LA1-SP-5 |
| SP12-09A04-06 | SP24-09A04-06 | SP36-09A04-06 | 147,8 | 110 | 13000 | 52 -75 | 310,7 | LA1-SP-6 |
| SP12-09A08-01 | SP24-09A08-01 | SP36-09A08-01 | 20,8 | 225 | 13000 | 33 – 45 | 177,1 | LA1-SP-1 |
| SP12-09A08-02 | SP24-09A08-02 | SP36-09A08-02 | 46,2 | 225 | 13000 | 33 – 45 | 197,9 | LA1-SP-2 |
| SP12-09A08-03 | SP24-09A08-03 | SP36-09A08-03 | 71,6 | 225 | 13000 | 33 – 45 | 226,1 | LA1-SP-3 |
| SP12-09A08-04 | SP24-09A08-04 | SP36-09A08-04 | 97,0 | 225 | 13000 | 33 – 45 | 254,3 | LA1-SP-4 |
| SP12-09A08-05 | SP24-09A08-05 | SP36-09A08-05 | 122,4 | 225 | 13000 | 33 – 45 | 282,5 | LA1-SP-5 |
| SP12-09A08-06 | SP24-09A08-06 | SP36-09A08-06 | 147,8 | 225 | 13000 | 33 – 45 | 310,7 | LA1-SP-6 |
| SP12-17A08-01 | SP24-17A08-01 | SP36-17A08-01 | 20,8 | 340 | 13000 | 17 -26 | 177,1 | LA1-SP-1 |
| SP12-17A08-02 | SP24-17A08-02 | SP36-17A08-02 | 46,2 | 340 | 13000 | 17 -26 | 197,9 | LA1-SP-2 |
| SP12-17A08-03 | SP24-17A08-03 | SP36-17A08-03 | 71,6 | 340 | 13000 | 17 -26 | 226,1 | LA1-SP-3 |
| SP12-17A08-04 | SP24-17A08-04 | SP36-17A08-04 | 97,0 | 340 | 13000 | 17 -26 | 254,3 | LA1-SP-4 |
| SP12-17A08-05 | SP24-17A08-05 | SP36-17A08-05 | 122,4 | 340 | 13000 | 17 -26 | 282,5 | LA1-SP-5 |
| SP12-17A08-06 | SP24-17A08-06 | SP36-17A08-06 | 147,8 | 340 | 13000 | 17 -26 | 310,7 | LA1-SP-6 |
| SP12-17A16-01 | SP24-17A16-01 | SP36-17A16-01 | 20,8 | 340 | 13000 | 7 – 14 | 177,1 | LA1-SP-1 |
| SP12-17A16-02 | SP24-17A16-02 | SP36-17A16-02 | 46,2 | 340 | 13000 | 7 – 14 | 197,9 | LA1-SP-2 |
| SP12-17A16-03 | SP24-17A16-03 | SP36-17A16-03 | 71,6 | 340 | 13000 | 7 – 14 | 226,1 | LA1-SP-3 |
| SP12-17A16-04 | SP24-17A16-04 | SP36-17A16-04 | 97,0 | 340 | 13000 | 7 – 14 | 254,3 | LA1-SP-4 |
| SP12-17A16-05 | SP24-17A16-05 | SP36-17A16-05 | 122,4 | 340 | 13000 | 7 – 14 | 282,5 | LA1-SP-5 |
| SP12-17A16-06 | SP24-17A16-06 | SP36-17A16-06 | 147,8 | 340 | 13000 | 7 – 14 | 310,7 | LA1-SP-6 |