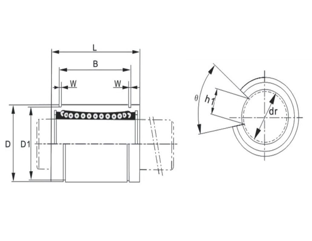
Linearkugellager LME-OP
Die Linearkugellager KB-OP und LME-OP zählen zu den in Europa üblichen Baureihen. Sie unterscheiden sich von den in den USA und in Asien verwendeten Typen in den Abmessungen. Linearkugellager in Asien haben zum größten Teil die Bezeichnungen SM und LM gehandelt (Metrische Abmessungen)
In den Amerika werden Linearkugellager unter der Bezeichnung SW gehandelt (Zoll Abmessungen).
In den nachfolgenden Bildern finden sie eine Übersicht der in Europa üblichen Linearkugellager.
- Material Außenmantel: Kunststoffkäfig mit eingelegten Laufbahnsegmenten aus 100Cr6 (1.3505)
- Material Käfig: Kunststoff
- Kugeln: 100 Cr6 (1.3505)
- Dichtung: Nitrilkautschuk
Optionen auf Anfrage:
- Verchromte Laufbahnsegmente
- Vernickelte Laufbahnsegmente
- Rostbeständige Kugeln (1.4125)
- ohne Dichtung
- mit 1 Dichtung (U)
LB-Linearkugellager-LME
| Type (Lintec) | Nippon Bearing | Boschrexroth | INA | d (mm) | D (mm) | L (mm) | Cdyn (N) | Cstat (N) |
|---|---|---|---|---|---|---|---|---|
| LME10UU-OP | KB10UU-OP | R060231010 | – | 10 | 19 | 29 | 372 | 549 |
| LME12UU-OP | KB12UU-OP | R060201210 | KB12PP | 12 | 22 | 32 | 510 | 784 |
| LME16UU-OP | KB16UU-OP | R060201610 | KB16PP | 16 | 26 | 36 | 578 | 892 |
| LME20UU-OP | KB20UU-OP | R060202010 | KB20PP | 20 | 32 | 45 | 862 | 1370 |
| LME25UU-OP | KB25UU-OP | R060202510 | KB25PP | 25 | 40 | 58 | 980 | 1570 |
| LME30UU-OP | KB30UU-OP | R060203010 | KB30PP | 30 | 47 | 68 | 1570 | 2740 |
| LME40UU-OP | KB40UU-OP | R060204010 | KB40PP | 40 | 62 | 80 | 2160 | 4020 |
| LME50UU-OP | KB50UU-OP | R060205010 | KB50PP | 50 | 75 | 100 | 3820 | 7940 |
| LME60UU-OP | KB60UU-OP | R060206010 | – | 60 | 90 | 125 | 4700 | 9800 |
| LME80UU-OP | KB80UU-OP | R060208010 | – | 80 | 120 | 165 | 7350 | 16000 |